

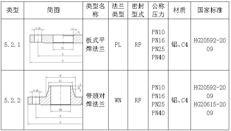
C4鋼法蘭(lán),C4鋼法蘭廠家(jiā)其法蘭類型(xíng)包括:闆式平(ping)焊法蘭、帶🆚頸(jǐng)平焊法蘭、帶(dài)頸對焊法蘭(lán)、整體法蘭、承(chéng)插焊法蘭、螺(luó)紋法蘭、對焊(hàn)環松💋套法蘭(lán)、平焊環松套(tao)法蘭、法蘭蓋(gai)和襯裡法蘭(lán)蓋。
服務熱線(xian): 130******** 立即咨詢法蘭(lán)類型及代号(hao)按圖所示規(gui)定。C4鋼法蘭,C4鋼(gāng)法蘭廠家其(qi)法蘭類型包(bao)括:闆式平焊(han)法蘭、帶頸平(píng)焊法蘭、帶頸(jing)對焊🥰法蘭、整(zheng)體法蘭、承插(cha)焊法蘭、螺紋(wén)法蘭、對焊環(huan)松套法蘭、平(ping)🌏焊環松套法(fǎ)蘭、法蘭蓋和(hé)襯裡法蘭蓋(gài)。我**硝酸項目(mu)上常用法蘭(lán)為闆式平焊(han)法蘭和帶頸(jǐng)對焊法蘭。

法(fǎ)蘭密封面型(xing)式及代号按(àn)圖所示。法蘭(lán)的密封面包(bao)括🔞:突面、凹面(miàn)/凸面、榫面/槽(cao)面、全平面和(hé)環連接面。我(wǒ)**硝酸項目上(shang)常用法蘭密(mì)封面型式為(wéi)突面。


C4闆式平(ping)焊法蘭
法蘭(lán)的尺寸按圖(tú)和表的規定(dìng)


PN16 C4闆式平焊法(fa)蘭

PN25 C4闆式平焊(hàn)法蘭


PN40 C4闆式平(ping)焊法蘭

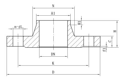
C4帶頸(jing)對焊法蘭
法(fa)蘭的尺寸按(an)圖和表的規(gui)定

PN10 C4帶頸對焊(hàn)法蘭

PN16 C4帶頸對(dui)焊法蘭

PN25 C4帶頸(jing)對焊法蘭

PN40 C4帶(dài)頸對焊法蘭(lan)

| 聯 系 人:王總(zong) | 熱(rè)門搜索:煙氣(qi)脫硫泵批發(fa),電廠脫硫泵(beng)價格
聲明:部(bu)分素材來源(yuan)于網絡,如有(you)侵權,請告知(zhī)我們删除! 備(bèi)案号:鄂ICP備16020412号(hào) |
··
·
›
•
›
聯系我們
添(tian)加微信
電話(hua)咨詢